POE SYSTEM CONFIGURATIONS


Original PoE systems had both pairsets connected to the same supply rail through two rectifier bridges. The IEEE802.3bt standard introduced a new concept of PD that differentiates between so-called single-signature and dual-signature configurations. A compliant power sourcing equipment (PSE) now has to perform a connection check of powered device (PD) prior to classification to find out the PD signature configuration. I will explain here the basic differences between these PD configurations.

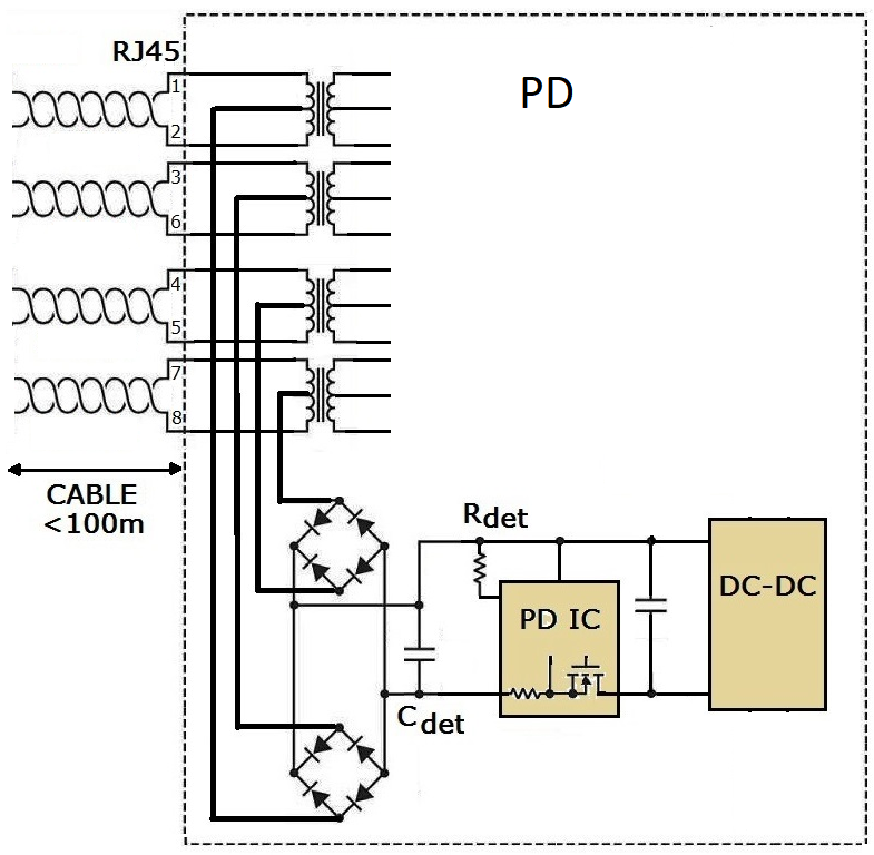
SINGLE-SIGNATURE



In a single-signature PD power trains of both pairsets are paralleled after the rectifiers (see diagram below). Such a PD presents a valid detection signature on a given pairset when no voltage is applied across the other pairset, and will not present a valid signature when voltage is applied across the other pairset.

single signature poe diagram

If PSE compliant to IEEE802.3bt finds a single-signature PD, it performs detection on both pairsets, and then performs classification only on one pairset (called "Primary alternative"). Single-signature PD can request classes 1 to 8 with maximum requested power 90W. Some PSE may apply operation voltage on one channel, and then negotiate power level via Link Layer Discovery Protocol (LLDP) before connecting the second channel. If PSE applies power on one channel, the second one will not pass the detection test.

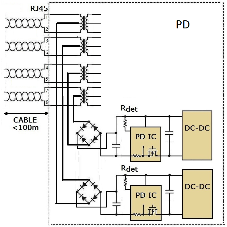
DUAL SIGNATURE



A dual-signature PD acts basically as two individual PDs. Each cable loop connects to an individual PD controller (see the diagram below). When PSE finds a dual-signature PD, it performs detection and classification separately on each pairset.

dual signature poe diagram

A compliant dual-signature PD presents a valid detection signature on each pairset, regardless of any voltage on the other pairset. Such configuration requires two separate rectifier bridges. It also requires a special PD controller or two separate controllers (one per each channel).If IEEE802.3bt PSE finds a dual signature PD, it performs detection and classification on both pairsets. Dual signature PD can request classes 1 to 5 on each channel with maximum requested power 45W per channel.